SEM5000X
SEM5000X 는 0.6nm @15kV 및 1.0nm @1kV 의 획기적인 분해능을 갖춘 초 고해상도 전계방출형 주사전자현미경(FE-SEM) 입니다. 최적화된 컬럼 설계로 전체적인 수차를 30% 이상 감소 시켰으며 “Super Tunnel” 기술 및 고해상도 대물렌즈 설계를 통해 SEM5000X는 저 전압 이미징 해상도를 더욱 향상시킨 모델 입니다.
탁월한 해상도와 안정성을 통해 고급 나노구조 및 나노소재 연구는 물론 미세화된 Chip의 반도체 등의 연구, 개발 및 제조분야에서도 성능적 이점을 효율적으로 활용할 수 있습니다.
유센트릭 5축 스테이지 적용으로 위치제어의 정확도와 안정성이 매우 우수하며, 최대 8인치 크기의 AirLock 모듈 장착으로 시료의 오염방지 및 교체 대기시간을 단축할 수 있습니다.

■ 규격
▶Electron gun: Ultra high resolution Schottky field emission
▶Electron optics: Dual beam deceleration
▶Spatial resolution: 0.6nm @ 30kV (SE)
▶Magnification: 1 ~ 2,500,000x
▶Accelerating voltage: 20V ~ 30kV
▶Detector: ETD(SE detector), Inlens Detector, BSE detector,
▶Stage: 5-axis automatic
▶Vacuum system: High vacuum, AirLock module(4 inch, 8 inch / option)
■ Dual beam deceleration
▶Space charge effect 감소: 저전압 해상도 우수
▶전자의 광학 경로 교차 제거: 렌즈의 수차를 줄이고 해상도 향상
▶전자기 & 정전기 복함 대물렌즈 사용: 수차 감소 및 저전압 해상도 향상
▶수냉식 정전력 대물렌즈: 대물렌즈의 안정성, 신뢰성, 재현성 향상
▶기계적 작동 없이 전자동으로 교환되는 다양한 multi-hole aperture

• Dual beam deceleration – Space charge effect 감소: 저전압 해상도 우수 – 전자의 광학 경로 교차 제거: 렌즈의 수차를 줄이고 해상도 향상 – 전자기 & 정전기 복함 대물렌즈 사용: 수차 감소 및 저전압 해상도 향상 – 수냉식 정전력 대물렌즈: 대물렌즈의 안정성, 신뢰성, 재현성 향상 – 기계적 작동 없이 전자동으로 교환되는 다양한 multi-hole aperture
■ Detector
▶Side mounted ETD (Everhart-Thornley Detector)


BN ceramc nano-sheets
▶Inlens on-axle electron detector: High angle SE detection


ZSM-8 molecular sieve
▶Retractable BSE Detector (ETD)


High-entropy alloy powder
Images gallery
Mesoporous silica (1kV, Duo-Dec, Inlens)

IC chip (5kV, BSED-COMP)

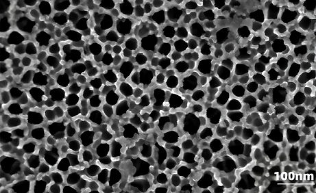
Nickel foam (2kV, ETD-SE)


Gold particles (1kV, Inlens)

Magnetic powder (10kV, Inlens)
Anodized aluminum plate (10kV, Inlens)

Kidney Sections (5kV, BSED-COMP)

Sapphire Substrate (5kV, ETD-SE)


Photoresist (2kV, ETD-SE)

Silicon dioxide spheres (3kV, ETD-SE)

